Ковани колела за влак
1) Кованите влакови колела са основни компоненти в транспортната индустрия. Те играят критична роля за гладкото движение на влаковете и гарантират безопасността на превозваните пътници и товари. Кованите колела се подлагат на специфичен производствен процес, който използва висококачествена стомана и прецизни техники за създаване на здрав и издръжлив продукт.
2) Процесът на коване включва нагряване на стоманата до висока температура, след което се оформя с помощта на преса или чук. Резултатът е колело, което е силно устойчиво на износване, корозия и екстремни температури. Кованите влакови колела също са по-устойчиви на удар и умора от други видове влакови колела, като например ляти колела.
3) Кованите влакови колела се използват в различни железопътни приложения, включително товарни и пътнически вагони, локомотиви и високоскоростни влакове. Тези колела могат да се справят с тежки товари и високи скорости, което ги прави идеални за транспортиране на дълги разстояния.
4) Като цяло кованите влакови колела са решаващ компонент в транспортната индустрия. Тяхната здравина, издръжливост и устойчивост на износване ги правят идеални за тежки приложения, където безопасността и надеждността са от първостепенно значение.

5) Висококачественият комплект колела е направен от 45# стоманена коване, груба обработка, кондициониране и довършителни работи. Твърдостта на термичната обработка е HB305 ~ 385, а твърдостта на втвърдяващия слой на дълбочина 18 mm е не по-малка от HB250. Валът на колелото е изработен от стомана 45#, която е грапава, темперирана и завършена. Твърдостта на термичната обработка е 250 ~ 280HB.

Материал:
A) Въглеродна стомана: A350LF2, A105, Q235, Q355D, A694F52, A516-GR65, EN10222, P280GH, P245GH, P250GH, JIS S25C, SS400, S20C, 16Mn, C22.8, Q345B/C/D, 1055, 1045, C50, C45, 10#, 20#, 35#, 45#, 40#, 50#, 55#, 60# и други изковки от въглеродна стомана.
B) Неръждаема стомана: ASTM, A182, F304/304L, F316/316L, F316H, F310, F321, JB4728-2000, OCR18Ni10Ti, JB4728-2000, OCR17NI12Mo2, 2205, 2507 , 2103, 904L, 254SMD, 304LN, 316LN, 1CR13, 2cr13, 3cr13, 4cr13, 321, 302, W1813N, W2014N, W2018N, W2020N, P550, Cr18Mn18N, 06Cr19 Ni10(S30408), 022Cr19Ni10(S30403), 06Cr17Ni12Mo2(S31608), 022Cr17Ni 12Mo2(S31603), 06Cr25Ni20(S31008), 06Cr18Ni11Ti(S32168), 022Cr19Ni13Mo (S31703), 0Cr17Ni4Cu4Nb, 06Cr19Ni10N, 14Cr17Ni2, 13Cr1 3Mo, 06Cr13 и други изковки от неръждаема стомана.
C) Легирана стомана: 40Cr, 15CrMo, 20CrMo, 25CrMo, 30CrMo, 35CrMo, 35CrMoV, 42CrMo, 20Cr2Ni4, 20CrNiMo, 40CrNiMo, 30Cr2Ni2Mo, 35CrMoV, 12Cr1MoV, 38CrMoAl , 18Cr2Nio4W, 40CrNi2Mo, 30CrMnSi, 25Cr2MoV, 17 Cr2Ni2Mo, 20MnMo, 20MnMoNb, 34CrNi3Mo, 20CrMnTi, 40CrMnMo, 30Cr2Ni2Mo, 34CrMo1, 20CrMnMo, 24CrMoV, 30Cr2MoV, 34CrNi1Mo, 17Cr2Ni2Mo, 34CrNi3MoV, 20CrMnTi, A182F1, F5, F9, F11, F22, 12Cr2Mo1, 10Cr9Mo1VNbN (F91), 10Cr9Mo W2VNbBN (F92), 12CrMoV, 4140 , 4340, 4330, 4130, 4150, 9CR2MO, 17NiCrMo6-4, 18CrNiMo7-6, 30CrNiMo8, 34CRNIMO, 34CrNiMo6, 36CrNiMo4, 34CrNi3Mo, 40CRNIMO, 40CrNiMoA, 5 0CrMo4, Q345D, 300M, 17-4 PH, PH13-8Mo, 15-5PH, AerMet 100 и други легирани стоманени изковки.
- Диаметър:Φ250, Φ350, Φ400, Φ500, Φ600, Φ700, Φ800, Φ 1000, Φ 1200 или като ваше изискване
- технnique:Леене или коване
- Дълбочина на охлаждане:повече от 25 мм
- Топлинна обработка:Закаляване и темпериране
- Температура на работната среда:-25 градуса - плюс 40 градуса, относителна влажност По-малко или равно на 85 процента
- Референтен ценови диапазон:$80-1000/парче
- Номинален капацитет на натоварване:1~1200 тона

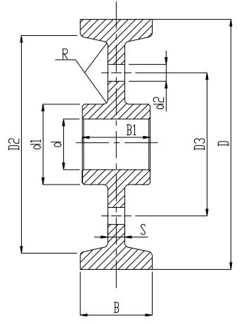
Скица

Предимства
1. Издръжливост:Кованите влакови колела са много по-издръжливи от другите видове колела, като например лятите колела. Те имат много по-висока устойчивост на умора и износване, което гарантира, че издържат по-дълго при интензивна употреба и високи скорости.
2. Сила:Кованите влакови колела имат по-високо ниво на здравина и могат да издържат на по-тежки товари, без да се огъват или счупват. Това ги прави предпочитан избор за локомотивни колела, които поемат тежестта на вагоните и пътниците.
3. Безопасност:По-високата здравина и издръжливост, съчетани с прецизни производствени методи, правят кованите колела на влаковете по-безопасни. Те са по-малко вероятно да се повредят или да се счупят под натиск, гарантирайки безопасността на пътниците и екипажа.
4. Намалена поддръжка:Кованите влакови колела изискват по-малко поддръжка от другите видове колела, тъй като са по-малко податливи на повреди и износване. Това води до намаляване на разходите за поддръжка и времето за престой, тъй като ремонтите и подмените се налагат по-рядко.
5. По-висока производителност:Кованите влакови колела също са известни със своите превъзходни възможности за производителност по отношение на скорост, ускорение и спиране. Това се дължи на тяхната здравина и издръжливост, което позволява по-плавно и по-ефективно каране.
6. Персонализиране:Тъй като кованите влакови колела се произвеждат по точни спецификации, те могат да бъдат персонализирани въз основа на специфичните изисквания на влака, включително тегло, размер и скорост. Това гарантира максимална производителност и безопасност за всяка уникална железопътна система.
Приложение
Кованите влакови колела са един от основните компоненти на железопътната индустрия. Те се използват в различни приложения, включително:
1. Пътнически влакове:Кованите влакови колела се използват широко в пътническите влакове, тъй като изискват висока производителност и са подложени на екстремни условия. Осигуряват стабилност и намаляват риска от дерайлиране, осигурявайки безопасно и комфортно пътуване за пътниците.
2. Товарни влакове:Товарните влакове превозват тежки товари и пътуват на дълги разстояния, което ги прави податливи на износване. Кованите влакови колела осигуряват необходимата здравина и издръжливост, за да издържат теглото на товара и намаляват разходите за поддръжка.
3. Високоскоростни влакове:Високоскоростните влакове изискват колела с превъзходно качество, които могат да издържат на високи скорости, вибрации и температурни промени. Кованите влакови колела предлагат тези характеристики и гарантират гладко и безопасно пътуване за пътниците.
4. Метро и лека железница:Кованите влакови колела се използват и в метрото и леките железопътни системи, осигурявайки висококачествени колела, които са устойчиви на износване и имат по-дълъг живот. Тези колела са проектирани да се справят с постоянното стартиране и спиране, изисквано от тези системи.
5. Индустриални приложения:Кованите влакови колела се използват и в различни индустриални приложения като кранове, минно оборудване и тежки машини. Те са идеални за приложения с висока товароносимост, които изискват изключителна здравина и издръжливост.
В заключение, кованите влакови колела са критични компоненти на железопътната индустрия, предлагащи превъзходно качество, надеждност и издръжливост. Те се използват в различни приложения и осигуряват безопасно и комфортно пътуване както за пътниците, така и за товара.


Производствена процедура
Производствената процедура на ковани влакови колела включва серия от процеси, които имат за цел да създадат висококачествени и издръжливи колела за влакове. Следват стъпките в производствената процедура на ковани влакови колела:
1. Избор на суровини:Първата стъпка в производствената процедура е изборът на правилните суровини, които обикновено са стоманени или железни заготовки. Тези заготовки трябва да имат необходимия химичен състав и механични свойства, за да отговарят на стандартите за предвидената употреба.
2. Отопление:Избраните заготовки се нагряват в пещ при висока температура до 1200 градуса, за да станат ковки и готови за коване.
3. Коване:След това нагретите заготовки се поставят в ковашка преса, където се оформят в желаната форма на колело с помощта на мощен чук.

4. Подрязване и оразмеряване:След това кованото колело се подрязва, за да се отстрани излишният материал и се оразмерява до необходимите размери.

5. Термична обработка:След изрязване и оразмеряване, кованото колело се подлага на топлинна обработка, за да се подобри неговата здравина, твърдост и издръжливост.

6. Машинна обработка:Термично обработеното ковано колело след това се обработва машинно, за да се създаде крайната форма, включително центъра на колелото, джантата и фланеца.

7. Инспекция:Последната стъпка в производството включва строга проверка, за да се гарантира, че кованото колело отговаря на необходимите стандарти за качество за използване във влакове.

8. Опаковане и доставка:След като кованите влакови колела преминат инспекцията, те са готови за изпращане, за да бъдат монтирани в железопътни вагони за употреба. Горните производствени процедури гарантират създаването на висококачествени, безопасни и надеждни ковани влакови колела, които могат да издържат на тежките експлоатационни условия във влаковия транспорт.


Изглед на работилница
Компанията е инсталирала интелигентна платформа за управление на оборудването и е инсталирала 310 комплекта (комплекти) роботи за обработка и заваряване. След завършването на плана ще има повече от 500 комплекта (комплекти), а нивото на мрежово оборудване ще достигне 95 процента. 32 заваръчни линии са пуснати в експлоатация, 50 са планирани да бъдат инсталирани и степента на автоматизация на цялата продуктова линия е достигната





Популярни тагове: ковани колела за влак, Китай ковани колела за влак производители, доставчици, фабрика
Един чифт
Ковано колелоСледваща
Колела за влакМоже да харесаш също
Изпрати запитване























